Home
2000 Series Grippers
Optional Extras
> Sensor Mounting Kits
> Protective Covers
> Failsafe Kits
Refurbishments
Contact us
2000 Series
2028-13
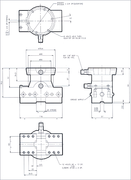
2050-25
2065-45
2100-65
2050-25
Stroke:
25mm
Mass:
1.11g
External
Clamping Force:
520N
Failsafe
Clamping Force:
130N-400N
Optional Extras
2000SK- Sensing Kit
2000S- Sensor
2000L- Sensor Cable
2050FK- Failsafe Kit
2050PC- Protective Cover Kit
Sensor Mounting Kits
Protective Covers
Failsafe Kits
CAD Downloads and Dimensional Data
2050-25 Gripper